پیژندنه
T هیدرولیک اډاپټر د T- شکل لرونکی نښلونکی دی چې د هیدرولیک جریان په اسانۍ سره ویشي، د قوي موادو څخه جوړ شوی ترڅو د لوړ فشار لاندې ښه کار وکړي. دا په فابریکو، فارمونو، او موټر سیسټمونو کې ډیری برخې فټ کوي، لیکونه ودروي، او ځای په ځای کول اسانه دي. دا لږ پاملرنې ته اړتیا لري، مایع په ثابت ډول حرکت کوي، او ماشینونو سره مرسته کوي چې د اوږدې مودې لپاره په ښه توګه ودریږي-د هر ډول دندو لپاره خورا ښه.



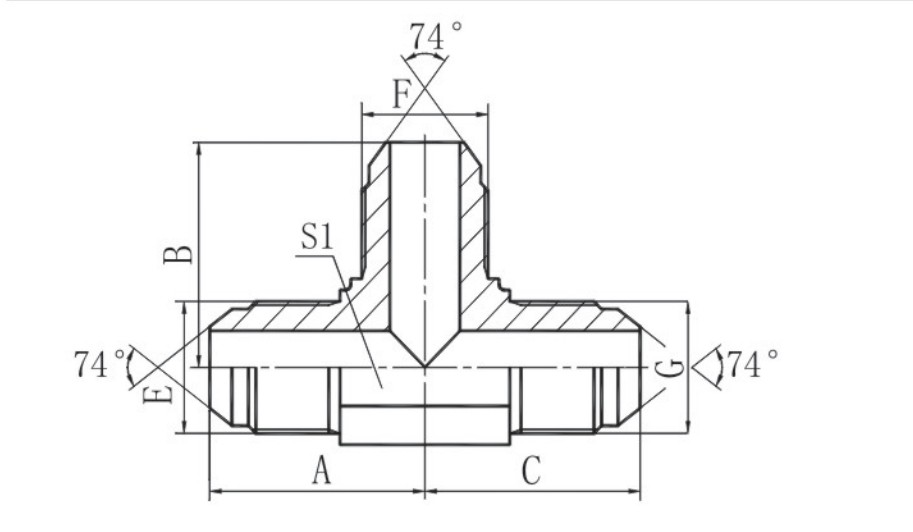
مشخصات

|
برخه نمبر. |
THREAD |
ابعاد |
|||||
|
E |
F |
G |
A |
B |
C |
S1 |
|
|
AJ-04 |
7/16*X20 |
7/16*X20 |
7/16*X20 |
24.5 |
24.5 |
24.5 |
11 |
|
AJ-04-06-04 |
7/16*X20 |
9/16*X18 |
7/16*X20 |
26.6 |
26.9 |
26.6 |
14 |
|
AJ-05 |
1/2*X20 |
1/2*X20 |
1/2*X20 |
26 |
26 |
26 |
14 |
|
AJ-06-04-06 |
9/16*X18 |
7/16*X20 |
9/16*X18 |
26.9 |
26.6 |
26.9 |
14 |
|
AJ-06 |
9/16*X18 |
9/16*X18 |
9/16*X18 |
26.9 |
26.9 |
26.9 |
14 |
|
AJ-08-06-08 |
3/4*X16 |
9/16*X18 |
3/4*X16 |
32 |
30 |
32 |
19 |
|
AJ-10 |
7/8*X14 |
7/8*X14 |
7/8*X14 |
37.8 |
37.8 |
37.8 |
22 |
|
AJ-12 |
1.1/16*X12 |
1.1/16*X12 |
1.1/16*X12 |
44.2 |
44.2 |
44.2 |
27 |
|
AJ-16 |
1.5/16*X12 |
1.5/16*X12 |
1.5/16*X12 |
49 |
49 |
49 |
33 |
|
AJ-16-12-16 |
1.5/16*X12 |
1.1/16*X12 |
1.5/16*X12 |
49 |
48 |
49 |
33 |
|
AJ-20 |
1.5/8*X12 |
1.5/8*X12 |
1.5/8*X12 |
56.5 |
56.5 |
56.5 |
41 |
|
AJ-24 |
1.7/8*X12 |
1.7/8*X12 |
1.7/8*X12 |
63 |
63 |
63 |
48 |
|
AJ-32 |
2.1/2*X12 |
2.1/2*X12 |
2.1/2*X12 |
78 |
78 |
78 |
63 |
پیرامیټونه / تخنیکي معلومات
|
اصلي |
ژی جیانګ، چین |
د سپارلو نیټه |
د خبرو اترو وړ |
|
تصدیق |
GB/T19001-2016 idt ISO9001:2015 |
بسته بندي |
د صادراتو معیار |
|
مواد |
د کاربن فولاد |
تضمین |
1 کال |
|
د تادیې اصطلاح |
TT |
MOQ |
2000 |
|
حالت |
نوی |
رنګ |
سپین زنک، رنګ زنک |
د شرکت په اړه












ګټې
غوره کیفیت
زموږ د متخصص ټیم تخنیکي مهارتونه د مدیریت تجربې سره ترکیب کوي موږ د مسلکي تصدیقونو سره د کیفیت سخت کنټرول ساتو
بډایه تجربه
په 2011 کې تاسیس شوی اوس مهال د نړۍ په کچه 40+ هیوادونو ته صادروي په شمول: متحده ایالات، آلمان، انګلستان، استرالیا، روسیه، برازیل، کاناډا، او نور د کیفیت خدماتو لپاره د نړیوالو پیرودونکو لخوا باوري دي
د محصول پراخه لړۍ
4 اصلي محصول کټګورۍ:
د هیدرولیک فټینګ
هیدرولیک فیرولز
هیدرولیک اډاپټرونه
د نایلان ټیوب فټینګ
له 100 څخه ډیر مختلف محصولات شتون لري
رقابتي نرخونه
موږ په مناسب قیمت کې کیفیت لرونکي محصولات وړاندې کوو. له دې لارې د پیرودونکو قوي باور رامینځته کوو:
د باور وړ کیفیت
صادقانه سوداګریزې کړنې
د 10 کلونو دوامداره وده
د پیرودونکي- متمرکز خدمت
ستاسو رضایت زموږ لومړیتوب دی. ټولو پوښتنو ته چټک ځواب. د هرې اړتیا لپاره مسلکي حلونه
ستراتیژیک موقعیت
په اسانۍ سره هانګزو ته نږدې موقعیت لري. عالي ټرانسپورټ اتصال. ګړندی او مؤثره بار وړل

FAQ
پوښتنه: ولې زموږ شرکت غوره کړئ؟
ځواب: زموږ شرکت د 10- کلن هیدرولیک ماهر دی، د باور وړ کیفیت، 18- میاشتني تضمین، ګړندی تحویلي، د لګښت اصلاح او له پلور وروسته له اندیښنې پرته
پوښتنه: ایا موږ فابریکه یا سوداګریز شرکت؟
A: موږ د هیدرولیک جوړو سرچینه فابریکه یو، د 10 کلونو لپاره په تولید او څیړنې او پراختیا تمرکز کوو
پوښتنه: زموږ د تحویل وخت څومره دی؟
A: که دا په ذخیره کې وي، دا معمولا 7-15 ورځې وخت نیسي. یا که توکي په ذخیره کې نه وي، دا 30-45 ورځې وخت نیسي، کوم چې په مقدار پورې اړه لري
پوښتنه: زموږ د تادیې شرایط څه دي؟
ځواب: د امر تایید وروسته 30٪ جمع تادیه کړئ، او بیلانس 70٪ د بار کولو بل کاپي سره
پوښتنه: ایا موږ نمونې چمتو کولی شو؟ / ایا موږ وړیا نمونې چمتو کولی شو؟
A: د اوسني محصولاتو لپاره، 2 نمونې د وړیا ازموینې لپاره چمتو کیدی شي، او پیرودونکي اړتیا لري د بار وړلو لګښت برداشت کړي؛ د دودیز محصولاتو لپاره، مهرباني وکړئ موږ سره اړیکه ونیسئ د نمونې پلان خبرې اترې
پوښتنه: که موږ د کارونې پرمهال د کیفیت ستونزې ومومو نو څه به وکړو؟
الف: د 12-میاشتو د کیفیت د تضمین دورې په جریان کې (د سپارلو نیټې څخه حساب شوی)، ټول غیر انساني زیانونه پوښل شوي
پوښتنه: زموږ MOQ څه دی؟
ځواب: د اوسنیو محصولاتو لپاره، موږ د یوې ټوټې پیرود ملاتړ کوو. د غير
پوښتنه: ایا موږ د نقاشیو له مخې محصولات تولید کولی شو؟
A: د انځورونو سره سم د تولید بشپړ ملاتړ کوي، مګر بشپړ تخنیکي اړتیاوې او د زغم معیارونو ته اړتیا ده
پوښتنه: زموږ د خرڅلاو وروسته- خدمت څه دی؟
ځواب: د بشپړ لوژستیک تعقیب خدمت، د ترانسپورت حالت ریښتیني وخت تازه کول او د لاسلیک کولو وروسته د پیرودونکي رضایت تعقیب کول-
پوښتنه: موږ څنګه د خپلو محصولاتو کیفیت چیک کوو؟
ځواب: موږ د مسلکي ازموینې تجهیزاتو بشپړ سیټ لرو ، پشمول د مالګې سپری ټیسټر ، د تناسلي ماشین ، سختۍ ټیسټر او نور ، ترڅو د محصول کیفیت په کلکه کنټرول کړو.
پوښتنه: ایا زموږ شرکت د OEM خدمت لري؟
A: البته، زموږ شرکت د OEM خدمتونه وړاندې کوي. مهرباني وکړئ د جزیاتو لپاره موږ سره اړیکه ونیسئ.
پوښتنه: موږ کوم ډول بسته بندي لرو؟
A: اوس مهال یوازې د کارتن بسته بندي، مګر که تاسو اړتیاوې لرئ، موږ کولی شو د دوی پوره کولو هڅه وکړو
پوښتنه: کله زه قیمت ترلاسه کولی شم؟
A: معمولا موږ ستاسو د پوښتنو ترلاسه کولو وروسته په 8 ساعتونو کې حواله کوو.
هوښيار ټکي: T هیدرولیک اډاپټر، د چین T هیدرولیک اډاپټر جوړونکي، فابریکه
