پیژندنه
د هیدرولیک 90 درجې اډاپټر یوه برخه ده چې د 90 درجې زاویه کې د هیدرولیک لینونو بدلولو کې مرسته کوي. دا د لیکونو د بندولو لپاره کلک مهر لري. د قوي موادو څخه جوړ شوی، دا کولی شي لوړ فشار اداره کړي. دا په فابریکو، فارمونو او موټرو کې کار کوي. دا په ډیری لینونو کې فټ کوي، مایع په اسانۍ سره جریان ساتي، د مینځلو لپاره اسانه دی او لږ سمون ته اړتیا لري. دا د اوږدې کارونې لپاره ښه دی، دا د هغو ځایونو لپاره غوره انتخاب جوړوي چیرې چې لیکې په چټکۍ سره بدلولو ته اړتیا لري.



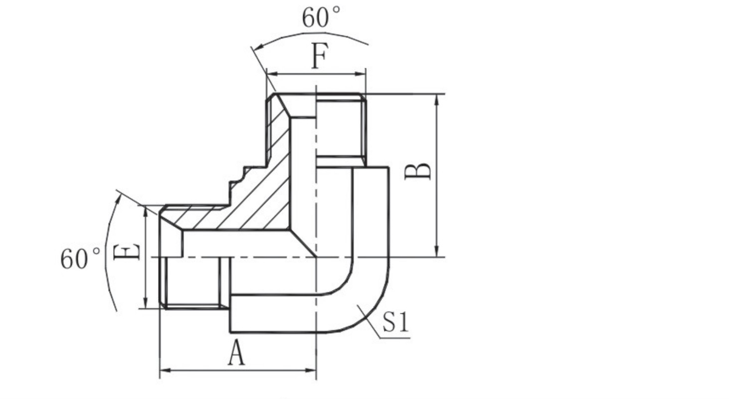
مشخصات

|
برخه نمبر. |
THREAD |
ابعاد |
|||
|
E |
F |
A |
B |
S1 |
|
|
1B9-02 |
G1/8*X28 |
G1/8"*X28 |
19.8 |
19.8 |
11 |
|
1B9-02-04 |
G1/8*X28 |
G1/4"*X19 |
23 |
25 |
14 |
|
1B9-04 |
G1/4*X19 |
G1/4"*X19 |
24.5 |
24.5 |
14 |
|
1B9-04-06 |
G1/4*X19 |
G3/8"*X19 |
26.5 |
27.5 |
16 |
|
1B9-06 |
G3/8*X19 |
G3/8"*X19 |
27.5 |
27.5 |
16 |
|
1B9-08 |
G1/2*X14 |
G1/2"*X14 |
34.5 |
34.5 |
22 |
|
1B9-08-12 |
G1/2*X14 |
G3/4"*X14 |
37.5 |
40 |
27 |
|
1B9-10 |
G5/6*X14 |
G5/8"*X14 |
35 |
35 |
22 |
|
1B9-10-12 |
G5/8*X14 |
G3/4"*X14 |
37.5 |
39 |
30 |
|
1B9-12 |
G3/4*X14 |
G3/4"*X14 |
40 |
40 |
27 |
|
1B9-12-16 |
G3/4*X14 |
G1"*X11 |
43.5 |
46 |
33 |
|
1B9-16 |
G1"*X11 |
G1"*X11 |
46 |
46 |
33 |
|
1B9-16-20 |
G1"*X11 |
G1,1/4"*X11 |
50.5 |
50.5 |
41 |
|
1B9-20 |
G1,1/4"*X11 |
G1,1/4"*X11 |
50.5 |
50.5 |
41 |
|
1B9-20-24 |
G1,1/4"*X11 |
G1,1/2"*X11 |
54.5 |
57.5 |
48 |
|
1B9-24 |
G1,1/2"*X11 |
G1,1/2"*X11 |
57.5 |
57.5 |
48 |
|
1B9-32 |
G2"*X11 |
G2"*X11 |
68 |
68 |
63 |
پیرامیټونه / تخنیکي معلومات
|
اصلي |
ژی جیانګ، چین |
د سپارلو نیټه |
د خبرو اترو وړ |
|
تصدیق |
GB/T19001-2016 idt ISO9001:2015 |
بسته بندي |
د صادراتو معیار |
|
مواد |
د کاربن فولاد |
تضمین |
1 کال |
|
د تادیې اصطلاح |
TT |
MOQ |
2000 |
|
حالت |
نوی |
رنګ |
سپین زنک، رنګ زنک |
د شرکت په اړه












ګټې
لوړ کیفیت
زموږ ماهر ټیم لوړ معیارونه تضمینوي. موږ د کیفیت سخت کنټرول تعقیبوو او مسلکي تصدیقونه لرو.
10+ کلونه تجربه
له 2011 راهیسې، موږ د متحده ایالاتو، جرمني، آسټرالیا، او نورو په ګډون په 40+ هیوادونو کې پیرودونکو ته خدمت کړی دی. د باور وړ محصولاتو او غوره خدماتو لپاره باور لري.
د محصول پراخه لړۍ
4 اصلي محصول لینونه (د هیدرولیک فټینګونه، فیرولز، اډاپټرونه، او د نایلان ټیوب فټینګونه). د مختلفو اړتیاو پوره کولو لپاره د 100+ څخه ډیر ډولونه.
ارزانه قیمتونه
موږ د کیفیت قرباني کولو پرته رقابتي نرخونه وړاندې کوو. په ټوله نړۍ کې د پیرودونکو لخوا د صادقانه معاملو او د 10 کلونو په اوږدو کې ثابت ودې لپاره باوري.
پیرودونکي-لومړی خدمت
ستاسو رضایت زموږ لومړیتوب دی د هرې مسلې لپاره چټک ځوابونه او حلونه.
مناسب ځای
هانګزو ته نږدې ، د ګړندي تحویلۍ لپاره د اسانه بار وړلو او لوژستیک سره.

FAQ
پوښتنه: ولې موږ غوره کوو؟
A: موږ د 10 کلونو لپاره د هیدرولیک سره کار کړی. زموږ محصولات ښه کیفیت لري، د 18- میاشتو تضمین سره راځي، او موږ ژر تر ژره وړاندې کوو. موږ د لګښتونو په سپمولو کې هم مرسته کوو، او زموږ د خرڅلاو وروسته خدمت- له فشار څخه پاک دی.
پوښتنه: ایا موږ فابریکه یا سوداګریز شرکت؟
A: موږ د هیدرولیک فټینګ جوړولو اصلي فابریکه یو. موږ د 10 کلونو لپاره د دوی په جوړولو او ښه کولو تمرکز کړی.
پوښتنه: څومره وخت وړاندې کول؟
ځواب: که موږ په ذخیره کې توکي ولرو، دا معمولا 7-15 ورځې وخت نیسي. که نه، 30-45 ورځې - دا پدې پورې اړه لري چې تاسو څومره امر کوئ.
پوښتنه: څنګه تادیه کول؟
A: کله چې تاسو امر تایید کړئ 30٪ تادیه کړئ. پاتې 70٪ تادیه کړئ وروسته له دې چې موږ تاسو ته د بار وړلو بل کاپي واستوو.
پوښتنه: ایا موږ نمونې ترلاسه کولی شو؟ ایا دوی وړیا دي؟
A: زموږ د اوسني محصولاتو لپاره، موږ کولی شو د ازموینې لپاره 2 وړیا نمونې ورکړو. مګر تاسو اړتیا لرئ د لیږد لپاره پیسې ورکړئ. د دودیز محصولاتو لپاره، د نمونې پلان کار کولو لپاره موږ سره خبرې وکړئ.
پوښتنه: که چیرې د کارولو پرمهال د کیفیت ستونزه شتون ولري؟
A: موږ د 12 میاشتو لپاره کیفیت تضمین کوو (د تحویلۍ نیټې څخه). ټولې هغه ستونزې چې د خلکو لخوا نه رامینځته کیږي پوښل کیږي.
پوښتنه: ترټولو کوچنی امر څه دی چې موږ یې کولی شو؟
ځواب: په سټاک کې د محصولاتو لپاره، تاسو کولی شئ یوازې 1 وپیرئ. د{1}}د{2}} ذخیرې محصولاتو لپاره، موږ به د محصول توضیحاتو پراساس ترټولو کوچنی امر تایید کړو.
پوښتنه: ایا تاسو د نقاشیو څخه محصولات کولی شئ؟
A: هو، موږ کولی شو. مګر موږ روښانه تخنیکي اړتیاو او د زغم معیارونو ته اړتیا لرو.
پوښتنه: ستاسو د پلور وروسته- خدمت څه دی؟
ځواب: موږ ټول لوژستیک تعقیب کوو. موږ تاسو ته تازه کوو چې توکي چیرته دي، او وګورئ چې تاسو د ترلاسه کولو وروسته خوښ یاست که نه.
پوښتنه: تاسو د محصول کیفیت څنګه ګورئ؟
ځواب: موږ د ازموینې مسلکي وسیلې لرو: د مالګې سپری ټیسټرونه ، د تناسلي ماشینونه ، د سختۍ ټیسټرونه او نور. موږ د دې لپاره کاروو ترڅو ډاډ ترلاسه کړو چې محصولات ښه دي.
پوښتنه: ایا تاسو د OEM خدمت وړاندیز کوئ؟
ځواب: هو، موږ یې کوو. د نورو جزیاتو لپاره موږ سره اړیکه ونیسئ.
پوښتنه: تاسو کوم ډول بسته بندي کاروئ؟
ځواب: همدا اوس، موږ کارتونونه کاروو. مګر موږ ته خپلې اړتیاوې ووایاست، او موږ به یې د پوره کولو هڅه وکړو.
پوښتنه: کله به زه قیمت ترلاسه کړم؟
ځواب: موږ معمولا د نرخونو په اړه ستاسو پوښتنه ترلاسه کولو وروسته په 8 ساعتونو کې نرخ لیږو.
هوښيار ټکي: هیدرولیک 90 درجې اډاپټر، د چین هیدرولیک 90 درجې اډاپټر جوړونکي، فابریکه
