پیژندنه
د 3 لارې هیدرولیک اډاپټر د دریو هیدرولیک لاینونو سره جلا یا یوځای کیږي، د ډیری سیسټمونو لپاره یو لاسي وسیله. دا د قوي موادو څخه جوړ شوی، لوړ فشار په ښه توګه اداره کوي، او لیکونه ودروي. دا په فابریکو، فارمونو، او ګراجونو کې برخې لري. د نصبولو لپاره اسانه، لږ پاملرنې ته اړتیا لري، او مایع په اسانۍ سره حرکت کوي. د هر ډول کار لپاره عالي ، دا ډیر وخت دوام کوي.



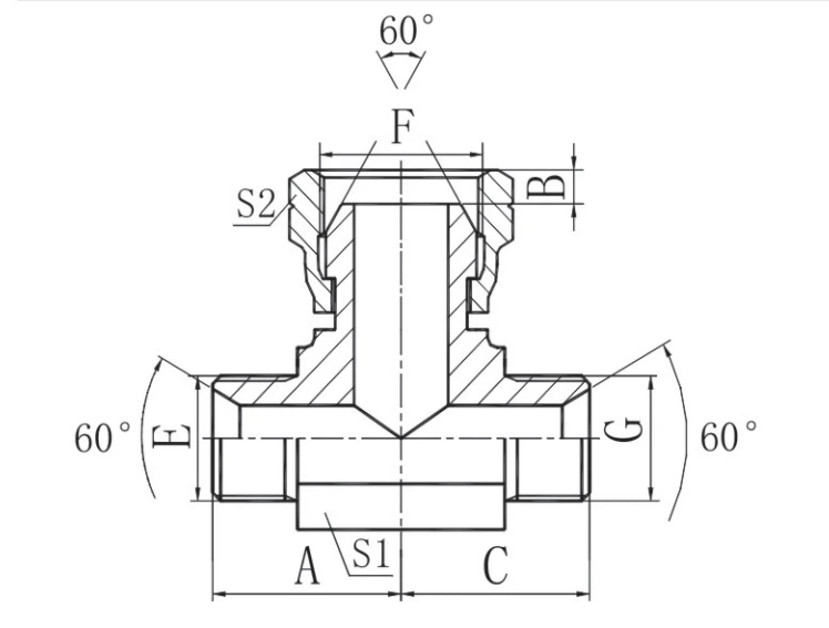
مشخصات

|
برخه نمبر. |
THREAD |
ابعاد |
||||||
|
E |
F |
G |
A |
B |
C |
S1 |
S2 |
|
|
BB-02 |
G1/8"X28 |
G1/8"X28 |
G1/8"X28 |
19.8 |
5.5 |
19.8 |
11 |
14 |
|
BB-04 |
G1/4"X19 |
G1/4"X19 |
G1/4"X19 |
24.5 |
5.5 |
24.5 |
14 |
19 |
|
BB-06 |
G3/8"X19 |
G3/8"X19 |
G3/8"X19 |
27.5 |
6.3 |
27.5 |
16 |
22 |
|
BB-08 |
G1/2"X14 |
G1/2"X14 |
G1/2"X14 |
34.5 |
7.5 |
34.5 |
22 |
27 |
|
BB-12 |
G3/4"X14 |
G3/4"X14 |
G3/4"X14 |
40 |
10.9 |
40 |
27 |
32 |
|
BB-20 |
G1.1/4"X11 |
G1.1/4"X11 |
G1.1/4"X11 |
50.5 |
11 |
50.5 |
41 |
50 |
|
BB-24 |
G1.1/2"X11 |
G1.1/2"X11 |
G1.1/2"X11 |
57.5 |
13 |
57.5 |
48 |
55 |
|
BB-32 |
G2"X11 |
G2"X11 |
G2"X11 |
72.5 |
16 |
72.5 |
63 |
70 |
پیرامیټونه / تخنیکي معلومات
|
اصلي |
ژی جیانګ، چین |
د سپارلو نیټه |
د خبرو اترو وړ |
|
تصدیق |
GB/T19001-2016 idt ISO9001:2015 |
بسته بندي |
د صادراتو معیار |
|
مواد |
د کاربن فولاد |
تضمین |
1 کال |
|
د تادیې اصطلاح |
TT |
MOQ |
2000 |
|
حالت |
نوی |
رنګ |
سپین زنک، رنګ زنک |
د شرکت په اړه












ګټې
غوره کیفیت
زموږ د متخصص ټیم تخنیکي مهارتونه د مدیریت تجربې سره ترکیب کوي موږ د مسلکي تصدیقونو سره د کیفیت سخت کنټرول ساتو
بډایه تجربه
په 2011 کې تاسیس شوی اوس مهال د نړۍ په کچه 40+ هیوادونو ته صادروي په شمول: متحده ایالات، آلمان، انګلستان، استرالیا، روسیه، برازیل، کاناډا، او نور د کیفیت خدماتو لپاره د نړیوالو پیرودونکو لخوا باوري دي
د محصول پراخه لړۍ
4 اصلي محصول کټګورۍ:
هیدرولیک فټینګ
هیدرولیک فیرولز
هیدرولیک اډاپټرونه
د نایلان ټیوب فټینګ
له 100 څخه ډیر مختلف محصولات شتون لري
رقابتي نرخونه
موږ په مناسب قیمت کې کیفیت لرونکي محصولات وړاندې کوو. له دې لارې د پیرودونکو قوي باور رامینځته کوو:
د باور وړ کیفیت
صادقانه سوداګریزې کړنې
د 10 کلونو دوامداره وده
د پیرودونکي-متمرکز خدمت
ستاسو رضایت زموږ لومړیتوب دی. ټولو پوښتنو ته چټک ځواب. د هرې اړتیا لپاره مسلکي حلونه
ستراتیژیک موقعیت
په اسانۍ سره هانګزو ته نږدې موقعیت لري. عالي ټرانسپورټ اتصال. ګړندی او مؤثره بار وړل

FAQ
پوښتنه: ولې موږ غوره کوو؟
A: موږ د 10 کلونو لپاره د هیدرولیک سره کار کړی. زموږ محصولات ښه کیفیت لري، د 18- میاشتو تضمین سره راځي، او موږ ژر تر ژره وړاندې کوو. موږ د لګښتونو په سپمولو کې هم مرسته کوو، او زموږ د خرڅلاو وروسته خدمت- له فشار څخه پاک دی.
پوښتنه: ایا موږ فابریکه یا سوداګریز شرکت؟
A: موږ د هیدرولیک فټینګ جوړولو اصلي فابریکه یو. موږ د 10 کلونو لپاره د دوی په جوړولو او ښه کولو تمرکز کړی.
پوښتنه: څومره وخت وړاندې کول؟
ځواب: که موږ په ذخیره کې توکي ولرو، دا معمولا 7-15 ورځې وخت نیسي. که نه، 30-45 ورځې - دا پدې پورې اړه لري چې تاسو څومره امر کوئ.
پوښتنه: څنګه تادیه کول؟
A: کله چې تاسو امر تایید کړئ 30٪ تادیه کړئ. پاتې 70٪ تادیه کړئ وروسته له دې چې موږ تاسو ته د بار وړلو بل کاپي واستوو.
پوښتنه: ایا موږ نمونې ترلاسه کولی شو؟ ایا دوی وړیا دي؟
A: زموږ د اوسني محصولاتو لپاره، موږ کولی شو د ازموینې لپاره 2 وړیا نمونې ورکړو. مګر تاسو اړتیا لرئ د لیږد لپاره پیسې ورکړئ. د دودیز محصولاتو لپاره، د نمونې پلان کار کولو لپاره موږ سره خبرې وکړئ.
پوښتنه: که چیرې د کارولو پرمهال د کیفیت ستونزه شتون ولري؟
A: موږ د 12 میاشتو لپاره کیفیت تضمین کوو (د تحویلۍ نیټې څخه). ټولې هغه ستونزې چې د خلکو لخوا نه رامینځته کیږي پوښل کیږي.
پوښتنه: ترټولو کوچنی امر څه دی چې موږ یې کولی شو؟
ځواب: په سټاک کې د محصولاتو لپاره، تاسو کولی شئ یوازې 1 وپیرئ. د{1}}د{2}} ذخیرې محصولاتو لپاره، موږ به د محصول توضیحاتو پراساس ترټولو کوچنی امر تایید کړو.
پوښتنه: ایا تاسو د نقاشیو څخه محصولات کولی شئ؟
A: هو، موږ کولی شو. مګر موږ روښانه تخنیکي اړتیاو او د زغم معیارونو ته اړتیا لرو.
پوښتنه: ستاسو د پلور وروسته- خدمت څه دی؟
ځواب: موږ ټول لوژستیک تعقیب کوو. موږ تاسو ته تازه کوو چې توکي چیرته دي، او وګورئ چې تاسو د ترلاسه کولو وروسته خوښ یاست که نه.
پوښتنه: تاسو د محصول کیفیت څنګه ګورئ؟
ځواب: موږ د ازموینې مسلکي وسیلې لرو: د مالګې سپری ټیسټرونه ، د تناسلي ماشینونه ، د سختۍ ټیسټرونه او نور. موږ د دې لپاره کاروو ترڅو ډاډ ترلاسه کړو چې محصولات ښه دي.
پوښتنه: ایا تاسو د OEM خدمت وړاندیز کوئ؟
ځواب: هو، موږ یې کوو. د نورو جزیاتو لپاره موږ سره اړیکه ونیسئ.
پوښتنه: تاسو کوم ډول بسته بندي کاروئ؟
ځواب: همدا اوس، موږ کارتونونه کاروو. مګر موږ ته خپلې اړتیاوې ووایاست، او موږ به یې د پوره کولو هڅه وکړو.
پوښتنه: کله به زه قیمت ترلاسه کړم؟
ځواب: موږ معمولا د نرخونو په اړه ستاسو پوښتنه ترلاسه کولو وروسته په 8 ساعتونو کې نرخ لیږو.
هوښيار ټکي: د 3 لارې هیدرولیک اډاپټر، چین 3 لاره هیدرولیک اډاپټر جوړونکي، فابریکه
